Ermuntert durch andere Forumsmitglieder habe ich mich entschlossen, einen Diskussionsstrang zu eröffnen, der sich mit dem Selbstbau von Seismometern beschäftigen soll. Ich tue das nicht ohne vorher ein paar grundlegende Dinge klar zu stellen.
Ich bin kein Bergmann. Ich bin in diesem Forum gelandet, weil ich hier einen interessanten Beitrag über den Selbstbau eines Gamma-Spektrometers fand und fühlte mich stets gut aufgenommen. Zudem wurde mir versichert, dass ein Beitrag über Seismik gut in ein geologisches Forum passen würde.
Ich bin kein Geophysiker. Ich betreibe die Seismik als Hobby und aus Leidenschaft. Sie erfordert ein großes Maß an interdisziplinärem Denken – sie vereint Naturwissenschaft, Mechanik, Elektronik und Datenverarbeitung – genau das macht sie so spannend.
Ich habe in meinem Leben keinerlei technische Ausbildung genossen, weder in Elektrotechnik, Elektronik oder Maschinenbau. Alles was ich hier zum Besten gebe beruht auf Informationen aus einschlägiger Literatur, Zeitschriften und aus dem Internet.
Somit erhebe ich keinen Anspruch auf Richtigkeit oder Vollständigkeit meiner Angaben. Vieles kann man anders machen, manches auch besser.
Es gibt viele Informationen im Netz, die sich mit der Physik der Seismometer beschäftigen. Wer sich ernsthaft mit der Thematik befassen will, wird nicht darum herum kommen, den einen oder anderen gegoogelten Beitrag zu lesen.
Wer etwas besonders Brauchbares gefunden hat, möge bitte einen Link zu der entsprechenden Seite hier im Forum veröffentlichen!
Bezüglich meiner Ausführungen sei bemerkt, dass es sich nicht um eine Bauanleitung im klassischen Sinn handelt. Es sind lediglich Vorschläge, wie man an die Sache heran gehen kann. Ich wünsche mir eine möglichst breite Diskussion und bin für Kritik und Verbesserungsvorschläge mehr als offen! Vielleicht findet sich noch ein Geophysiker, der uns hier zur Seite steht!
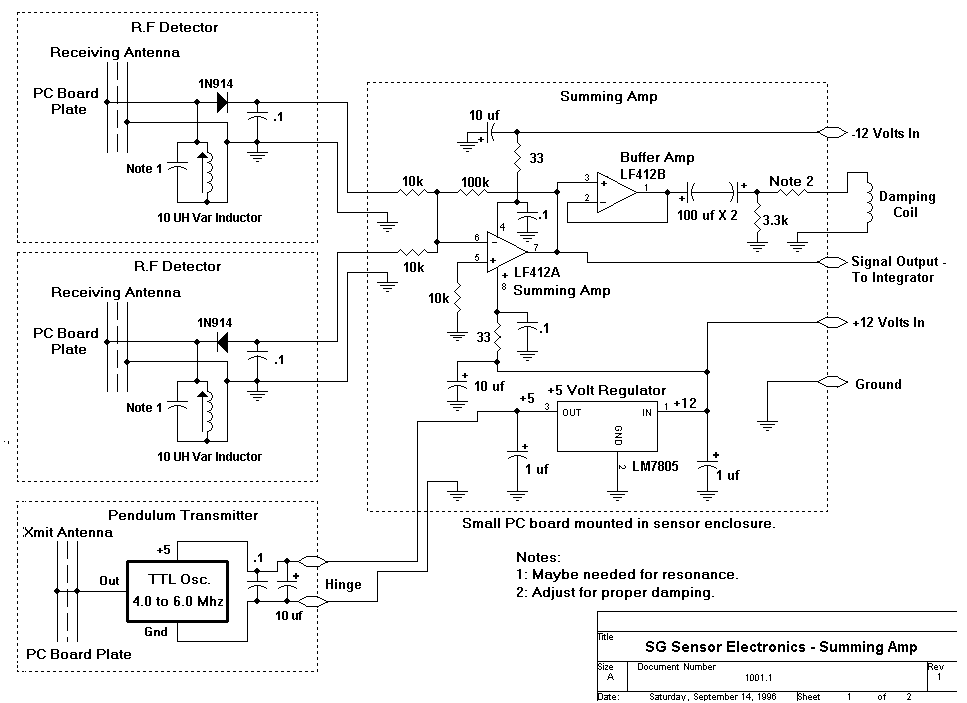
Die Schaltpläne, die ich verwendete, stammen überwiegend von Larry Cochrane aus Redwood City, Californien. Die Veröffentlichung erfolgt selbstverständlich mit seiner Zustimmung. Die Hardware der Instrumente sind Eigenkonstruktionen.
Bis bald,
Niklas
wird fortgesetzt...
